W obliczu rosnących zagrożeń związanych z awariami instalacji wodnych, zrozumienie działania i korzyści płynących z systemów antyzalaniowych staje się kluczowe dla każdego właściciela nieruchomości. Ten artykuł dostarczy kompleksowych informacji na temat elektrozaworów z czujnikiem zalania, wyjaśniając ich mechanizm, dostępne rodzaje oraz praktyczne aspekty wyboru i montażu, abyś mógł podjąć świadomą decyzję o zabezpieczeniu swojego domu.
Elektrozawór z czujnikiem zalania – kompleksowe zabezpieczenie domu przed skutkami wycieku wody
- Elektrozawór z czujnikiem zalania automatycznie odcina dopływ wody w przypadku wykrycia wycieku.
- System składa się z zaworu, czujnika i centrali sterującej, działając w ciągu kilku sekund.
- Dostępne są różne typy zasilania (sieciowe, bateryjne, z awaryjnym podtrzymaniem) oraz komunikacji (przewodowe, bezprzewodowe).
- Inteligentne systemy oferują powiadomienia na smartfona i zdalne sterowanie.
- Kluczowe jest strategiczne rozmieszczenie czujników w miejscach narażonych na wycieki.
- Prawidłowy dobór średnicy zaworu i zasilania awaryjnego to podstawa skutecznej ochrony.

Dlaczego system antyzalaniowy to dziś konieczność, a nie luksus?
Współczesne domy i mieszkania są naszpikowane instalacjami wodnymi. Niestety, nawet najbardziej solidne systemy mogą ulec awarii. Pęknięcie wężyka pod zlewem, awaria pralki czy przeciekająca rura to scenariusze, które mogą przydarzyć się każdemu. W takich sytuacjach system antyzalaniowy przestaje być opcją, a staje się absolutną koniecznością. To inwestycja w bezpieczeństwo Twojego majątku, która chroni przed kosztownymi i stresującymi skutkami zalania. Zamiast traktować go jako zbędny wydatek, warto spojrzeć na niego jak na polisę ubezpieczeniową, która działa w czasie rzeczywistym.
Pękające wężyki, awaria pralki – poznaj najczęstsze przyczyny zalania w polskich domach
Zalanie w domu rzadko kiedy jest wynikiem jednego, spektakularnego zdarzenia. Zazwyczaj to efekt nagłej i nieprzewidywalnej awarii jednego z elementów instalacji. Najczęściej spotykane przyczyny to:
- Nieszczelne wężyki pod zlewem: Te często niedoceniane elementy instalacji, zwłaszcza te gumowe, z czasem tracą elastyczność i mogą pęknąć.
- Awarie sprzętu AGD: Pralki, zmywarki, a nawet lodówki z kostkarkami wody to potencjalne źródła wycieków. Uszkodzenie węża doprowadzającego lub odprowadzającego wodę to częsty problem.
- Pęknięte rury: Choć rzadziej, to jednak zdarza się, że rury wodociągowe lub grzewcze pękają, szczególnie w starszych instalacjach lub w wyniku działania mrozu.
- Problemy z uszczelkami: Nieszczelne uszczelki w armaturze, bateriach czy urządzeniach sanitarnych mogą prowadzić do powolnych, ale destrukcyjnych wycieków.
- Przecieki z instalacji grzewczej: Nieszczelności w systemie centralnego ogrzewania, zwłaszcza w okolicach grzejników czy kotła, mogą spowodować znaczące zalanie.
Większość z tych awarii jest nagła i nie daje wiele czasu na reakcję. Dlatego tak ważne jest posiadanie systemu, który zareaguje za Ciebie.
Koszt zalania kontra cena spokoju: Prosta kalkulacja, która daje do myślenia
Zastanówmy się przez chwilę nad finansowymi aspektami zalania. Koszt remontu po zalaniu może sięgnąć dziesiątek, a nawet setek tysięcy złotych. Mowa tu o wymianie zniszczonych podłóg, tynków, malowaniu ścian, naprawie lub wymianie mebli, sprzętu AGD i RTV. Do tego dochodzą koszty osuszania budynku, które są niezbędne, aby zapobiec rozwojowi pleśni i grzybów. Nie można też zapomnieć o potencjalnych kosztach związanych z zalaniem sąsiadów z niższych pięter, które mogą narazić nas na dodatkowe wydatki i postępowanie prawne. W porównaniu do tych kwot, koszt zakupu i instalacji solidnego systemu antyzalaniowego, który może wynosić od kilkuset do kilku tysięcy złotych, wydaje się niewielki. To prosty rachunek, który jasno pokazuje, że ochrona przed zalaniem jest opłacalna.
Ochrona majątku i bezcenny spokój ducha – korzyści, których nie da się przeliczyć
Posiadanie systemu antyzalaniowego to nie tylko ochrona materialna, ale przede wszystkim inwestycja w Twój spokój. Oto kluczowe korzyści:
- Ochrona mienia: Najważniejsza zaleta to zabezpieczenie domu i jego wyposażenia przed zniszczeniem przez wodę.
- Minimalizacja strat: Szybkie odcięcie dopływu wody znacząco ogranicza rozmiar szkód, a co za tym idzie koszty napraw.
- Oszczędność czasu i nerwów: Unikasz stresu związanego z usuwaniem skutków zalania, poszukiwaniem fachowców i załatwianiem formalności.
- Spokój podczas wyjazdów: Możesz bez obaw wyjechać na wakacje czy dłuższy weekend, wiedząc, że Twój dom jest chroniony nawet pod Twoją nieobecność.
- Bezpieczeństwo dla sąsiadów: Zapobiegasz sytuacji, w której Twoja awaria staje się problemem dla innych mieszkańców budynku.
Ten ostatni punkt, czyli poczucie bezpieczeństwa i spokoju ducha, jest często niedoceniany, a przecież wart każdej ceny.

Jak dokładnie działa elektrozawór z czujnikiem zalania? Wyjaśniamy krok po kroku
System antyzalaniowy działa na prostej, ale niezwykle skutecznej zasadzie. Jego celem jest jak najszybsze przerwanie dopływu wody w momencie wykrycia nieszczelności, zanim ta zdąży wyrządzić poważne szkody. Cały proces, od momentu pojawienia się pierwszej kropli wody do całkowitego odcięcia dopływu, trwa zaledwie kilka sekund.
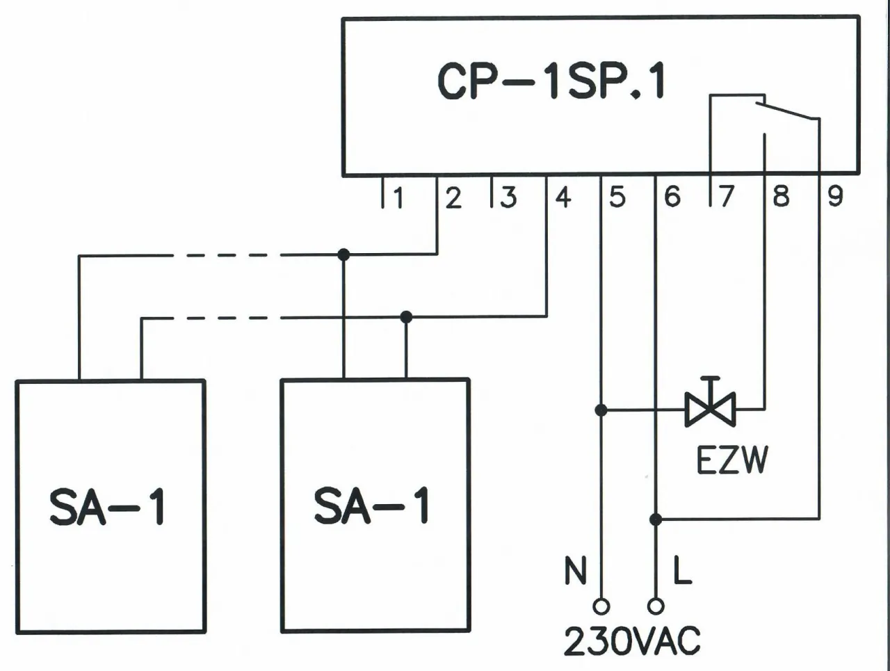
Główni bohaterowie systemu: Rola zaworu, czujnika i centralki sterującej
Każdy element systemu pełni kluczową rolę w zapewnieniu jego skuteczności:
- Elektrozawór: Jest to serce systemu, zazwyczaj w formie zaworu kulowego z elektrycznym siłownikiem. Instaluje się go na głównej rurze wodociągowej, tuż za wodomierzem. Jego zadaniem jest fizyczne zamknięcie dopływu wody do całego budynku na polecenie centrali sterującej.
- Czujnik zalania: To "oczy" systemu. Zazwyczaj jest to niewielkie urządzenie z elektrodami, które po kontakcie z wodą (nawet niewielką jej ilością) przewodzi prąd. Czujniki umieszcza się w miejscach szczególnie narażonych na wycieki, takich jak okolice pralek, zmywarek, bojlerów czy pod zlewami.
- Centrala sterująca: To "mózg" systemu. Odbiera sygnał z czujnika zalania i natychmiast wysyła polecenie do elektrozaworu, aby ten się zamknął. Łączy ze sobą wszystkie elementy systemu, zapewniając ich synchronizację.
Od wykrycia pierwszej kropli do odcięcia wody – co dzieje się w kluczowych sekundach?
Przebieg zdarzeń po wykryciu wycieku jest błyskawiczny:
- Wykrycie wody: Czujnik zalania, umieszczony w strategicznym miejscu, wchodzi w kontakt z wodą.
- Sygnał do centrali: Kontakt z wodą powoduje przepływ prądu między elektrodami czujnika, który wysyła sygnał alarmowy do centrali sterującej.
- Decyzja centrali: Centrala natychmiast interpretuje sygnał jako zagrożenie zalaniem.
- Polecenie dla zaworu: Centrala wysyła impuls elektryczny do siłownika elektrozaworu, nakazując mu zamknięcie przepływu wody.
- Zamknięcie zaworu: Elektrozawór, najczęściej kulowy, błyskawicznie się zamyka, odcinając dopływ wody do całej instalacji.
Cały ten proces zazwyczaj nie trwa dłużej niż kilka sekund, co zapobiega rozprzestrzenianiu się wody i minimalizuje szkody.
Czy system zadziała podczas awarii prądu? Różnice między zasilaniem sieciowym a bateryjnym
Jednym z kluczowych pytań dotyczących systemów antyzalaniowych jest ich niezawodność w przypadku awarii prądu. Na szczęście producenci przewidzieli takie sytuacje:
- Zasilanie sieciowe (~230V): Większość systemów zasilanych z sieci posiada wbudowane zasilanie awaryjne, zazwyczaj w postaci baterii 9V. Pozwala to na ciągłe działanie systemu nawet podczas krótkotrwałych przerw w dostawie prądu.
- Zasilanie bateryjne: Niektóre rozwiązania, zwłaszcza te bezprzewodowe, mogą być zasilane wyłącznie bateryjnie. Ich zaletą jest niezależność od sieci elektrycznej, ale wadą konieczność regularnej wymiany baterii.
- Zawory normalnie zamknięte (NC): Wiele elektrozaworów ma konfigurację NC. Oznacza to, że w normalnych warunkach są otwarte, a do ich zamknięcia potrzebny jest impuls prądu. Co najważniejsze, w przypadku braku zasilania taki zawór automatycznie się zamyka. Jest to dodatkowe, pasywne zabezpieczenie, które działa nawet wtedy, gdy nie ma prądu i nie ma aktywnego sygnału z centrali.
Wybór odpowiedniego typu zasilania zależy od specyfiki instalacji i częstotliwości przerw w dostawie prądu w danym miejscu.
Jaki elektrozawór z czujnikiem wybrać? Kluczowe cechy, na które musisz zwrócić uwagę
Rynek oferuje szeroki wachlarz systemów antyzalaniowych, co może utrudniać wybór. Aby podjąć najlepszą decyzję, warto zwrócić uwagę na kilka kluczowych parametrów, które zdecydują o skuteczności i dopasowaniu systemu do Twoich potrzeb.
Średnica zaworu (1/2", 3/4", 1") – jak idealnie dopasować ją do swojej instalacji?
To jeden z najbardziej fundamentalnych aspektów. Średnica elektrozaworu musi być idealnie dopasowana do średnicy rur w Twojej instalacji wodnej. Zbyt mały zawór może ograniczać przepływ wody, powodując spadek ciśnienia w kranach i prysznicach. Z kolei zbyt duży, choć rzadziej spotykany problem, może być niekompatybilny z istniejącymi przyłączami. Zanim dokonasz zakupu, koniecznie sprawdź średnicę rur w miejscu, gdzie planujesz montaż zaworu zazwyczaj jest ona wybita na rurze lub widoczna na złączkach. Najczęściej spotykane średnice to 1/2", 3/4" i 1".
Czujniki przewodowe czy bezprzewodowe? Wady i zalety obu rozwiązań w praktyce
Wybór między czujnikami przewodowymi a bezprzewodowymi to często kwestia kompromisu między łatwością montażu a niezawodnością:
| Cecha | Czujniki przewodowe | Czujniki bezprzewodowe |
|---|---|---|
| Montaż | Wymaga poprowadzenia przewodów, co może być trudniejsze w istniejących budynkach. Estetyka może ucierpieć. | Bardzo łatwy montaż, nie wymaga wiercenia czy kucia ścian. Idealne do modernizacji. |
| Niezawodność | Bardzo wysoka, nie wymagają baterii, brak ryzyka zakłóceń sygnału radiowego. | Wymagają regularnej wymiany baterii. Potencjalne ryzyko zakłóceń sygnału (Wi-Fi, radiowego) lub problemów z zasięgiem. |
| Zasilanie | Zasilane przez przewód z centrali. | Zasilane bateryjnie. |
| Elastyczność | Ograniczona przez długość przewodów. | Duża swoboda w rozmieszczeniu, łatwa rekonfiguracja. |
System prosty czy smart? Kiedy warto dopłacić za powiadomienia na telefon?
Podstawowe systemy antyzalaniowe zapewniają alarm dźwiękowy i natychmiastowe zamknięcie dopływu wody. To już ogromne zabezpieczenie. Jednak coraz popularniejsze stają się systemy inteligentne (smart home):
- Proste zestawy: Skupiają się na podstawowej funkcjonalności wykryciu wody i odcięciu jej dopływu. Często wyposażone są w lokalny alarm dźwiękowy.
- Inteligentne systemy (smart home): Oferują znacznie więcej. Łączą się z siecią Wi-Fi, dzięki czemu mogą wysyłać powiadomienia o wykryciu zalania bezpośrednio na Twój smartfon, niezależnie od tego, gdzie jesteś. Pozwalają także na zdalne sterowanie zaworem (np. otwarcie go po ustąpieniu awarii) i integrację z innymi systemami inteligentnego domu.
Jeśli często podróżujesz, zależy Ci na natychmiastowej informacji o potencjalnej awarii lub chcesz mieć pełną kontrolę nad systemem z poziomu aplikacji, warto zainwestować w inteligentne rozwiązanie. Dla osób ceniących prostotę i podstawowe zabezpieczenie, klasyczny system również będzie w pełni wystarczający.
Zasilanie bateryjne czy sieciowe z podtrzymaniem? Wybierz opcję gwarantującą ciągłość ochrony
Kwestia zasilania jest kluczowa dla ciągłości działania systemu. Jak już wspomnieliśmy, modele sieciowe (~230V) często posiadają awaryjne podtrzymanie bateryjne. Jest to niezwykle ważne, ponieważ przerwy w dostawie prądu mogą zdarzyć się w najmniej oczekiwanym momencie, a często idą w parze z innymi awariami, w tym właśnie z wyciekami wody (np. zamarznięcie rur w nieogrzewanym domu). Dlatego, jeśli masz możliwość wyboru, zawsze preferuj systemy sieciowe z wbudowanym zasilaniem awaryjnym lub niezawodne systemy w pełni bateryjne, pamiętając o regularnej wymianie baterii. To gwarancja, że ochrona będzie działać zawsze, gdy jest potrzebna.
Montaż systemu i rozmieszczenie czujników – praktyczny poradnik dla właściciela
Nawet najlepszy system antyzalaniowy nie zadziała w pełni skutecznie, jeśli zostanie nieprawidłowo zamontowany lub czujniki zostaną rozmieszczone w niewłaściwych miejscach. Oto kilka praktycznych wskazówek, które pomogą Ci zmaksymalizować bezpieczeństwo Twojego domu.
Gdzie zamontować główny elektrozawór, by skutecznie chronił cały dom?
Strategiczne miejsce montażu głównego elektrozaworu to zaraz za wodomierzem, na głównym przewodzie doprowadzającym wodę do budynku. Taka lokalizacja zapewnia, że w przypadku wykrycia wycieku, zawór odetnie dopływ wody do całej instalacji zarówno tej zimnej, jak i ciepłej (jeśli jest podgrzewana przez wspólny system). Jest to kluczowe dla kompleksowej ochrony całego domu lub mieszkania.
Strategiczne punkty w domu: Gdzie umieścić czujniki, aby maksymalnie zwiększyć bezpieczeństwo?
Skuteczność systemu zależy od właściwego rozmieszczenia czujników. Powinny one znajdować się w miejscach, gdzie wyciek wody jest najbardziej prawdopodobny i gdzie woda ma największą szansę się zebrać:
- Kuchnia: Pod zlewem (szczególnie tam, gdzie są podłączone zmywarka, młynek do odpadów), przy lodówce z kostkarką wody, za zmywarką.
- Łazienka: Pod umywalką, przy wannie lub brodziku prysznicowym, obok toalety (zwłaszcza jeśli jest to spłuczka podtynkowa), przy pralce.
- Kotłownia/pomieszczenie techniczne: W pobliżu pieca gazowego lub innego źródła ciepłej wody, przy bojlerze, pompie obiegowej.
- Piwnica: W najniższych punktach pomieszczenia, w pobliżu studzienek odpływowych, jeśli takie istnieją.
- Inne miejsca: Pod akwariami, w pobliżu rur przechodzących przez ściany, w miejscach, gdzie instalacja wodna jest szczególnie narażona na uszkodzenia.
Warto rozważyć użycie czujników punktowych w konkretnych miejscach lub czujników w formie kabla sensorycznego, który można rozłożyć na większej powierzchni, np. wzdłuż rur lub wzdłuż krawędzi pomieszczenia.
Samodzielny montaż czy pomoc fachowca? Oceń, kiedy warto wezwać hydraulika
Montaż systemu antyzalaniowego może być zadaniem dla majsterkowiczów, ale nie zawsze. Oto kilka wskazówek:
- Samodzielny montaż: Jest możliwy w przypadku prostych, bezprzewodowych systemów, gdzie nie ma potrzeby ingerencji w główną instalację wodną. Montaż czujników i podłączenie centrali do gniazdka zazwyczaj nie stanowi problemu.
-
Pomoc fachowca: Zdecydowanie zaleca się wezwanie wykwalifikowanego hydraulika, gdy:
- Montaż wymaga ingerencji w główną rurę wodociągową (np. cięcie rury i instalacja zaworu).
- System jest skomplikowany, przewodowy lub wymaga integracji z instalacją elektryczną.
- Nie masz doświadczenia w pracach hydraulicznych lub obawiasz się popełnienia błędu, który mógłby narazić Cię na dodatkowe koszty.
Pamiętaj, że prawidłowy montaż jest kluczowy dla bezpieczeństwa. Jeśli masz wątpliwości, lepiej zainwestować w profesjonalną usługę.
Najczęstsze błędy przy wyborze i instalacji systemu antyzalaniowego (i jak ich uniknąć)
Wybór i montaż systemu antyzalaniowego to proces, w którym łatwo o pomyłkę. Świadomość potencjalnych błędów pozwoli Ci ich uniknąć i zapewnić sobie skuteczną ochronę przed zalaniem.
Błąd #1: Ignorowanie średnicy rury i ciśnienia roboczego w instalacji
Jak już wspominałem, niedopasowanie średnicy zaworu do instalacji to prosta droga do problemów. Zbyt mały zawór może ograniczać przepływ wody, a w skrajnych przypadkach nawet nieprawidłowo się zamykać lub otwierać. Zignorowanie ciśnienia roboczego w instalacji może prowadzić do uszkodzenia zaworu. Zawsze dokładnie sprawdź parametry swojej instalacji przed zakupem i upewnij się, że wybrany elektrozawór jest z nią w pełni kompatybilny.
Błąd #2: Niewłaściwe rozmieszczenie czujników lub ich zbyt mała ilość
Umieszczenie czujnika tylko w jednym, "oczywistym" miejscu, jak pod zlewem, może okazać się niewystarczające. Jeśli wyciek nastąpi w innym punkcie, system może go nie wykryć. Kluczem jest pokrycie wszystkich krytycznych obszarów, gdzie istnieje ryzyko wycieku. Zastanów się, gdzie najczęściej dochodzi do awarii i tam umieść czujniki. Lepiej mieć jeden czujnik więcej niż jeden za mało.
Błąd #3: Wybór urządzenia bez zasilania awaryjnego w domu narażonym na przerwy w dostawie prądu
Jeśli mieszkasz w rejonie, gdzie przerwy w dostawie prądu są częste, wybór systemu działającego tylko na zasilaniu sieciowym bez podtrzymania bateryjnego jest poważnym błędem. W sytuacji awarii prądu, która często idzie w parze z innymi problemami, Twój system ochrony przestanie działać. Zawsze wybieraj rozwiązania z zasilaniem awaryjnym lub w pełni bateryjne, pamiętając o regularnej wymianie baterii.
Przeczytaj również: Samopodtrzymanie stycznika - Jak poprawnie podłączyć i uniknąć błędów?
Błąd #4: Pominięcie regularnych testów sprawności zaworu i baterii w czujnikach
System antyzalaniowy to nie jest instalacja "plug and play", która działa bezobsługowo przez lata. Aby mieć pewność, że zadziała w krytycznym momencie, wymaga regularnej konserwacji. Co najmniej raz na kilka miesięcy warto przeprowadzić testy: włączyć system, sprawdzić, czy zawór się zamyka, a czujniki reagują. W przypadku systemów bateryjnych, regularnie sprawdzaj stan baterii i wymieniaj je, gdy tylko poziom naładowania spadnie. Zaniedbanie tych prostych czynności może sprawić, że w momencie awarii okaże się, iż Twój system jest niesprawny.
