Instalacja elektryczna to niewidoczny, lecz kluczowy element każdego domu czy mieszkania, decydujący o bezpieczeństwie i komforcie. Ten kompleksowy przewodnik przeprowadzi Cię przez wszystkie etapy związane z elektryką w Twojej nieruchomości od planowania i projektu, przez wykonawstwo i obowiązujące przepisy, aż po koszty i nowoczesne rozwiązania, takie jak inteligentny dom. Dowiedz się, dlaczego odpowiednio wykonana instalacja to inwestycja, której nie warto lekceważyć.
Kompleksowy przewodnik po bezpiecznej i funkcjonalnej instalacji elektrycznej w Twoim domu
- Instalacja elektryczna to system przewodów i sprzętu dostarczający energię do wszystkich odbiorników w budynku.
- Kluczowe elementy to przyłącze, rozdzielnica, zaawansowane zabezpieczenia, odpowiednie okablowanie oraz osprzęt.
- Wymaga obowiązkowego projektu, wykonania przez elektryka z uprawnieniami SEP oraz odbioru technicznego.
- Koszty są często wyceniane "za punkt", a całkowity koszt zależy od metrażu i zakresu prac.
- Warto rozważyć instalację trójfazową i przygotować się na rozwiązania smart home już na etapie planowania.

Instalacja elektryczna – niewidoczny krwiobieg Twojego domu. Dlaczego jej rola jest absolutnie kluczowa?
Instalacja elektryczna to system połączonych ze sobą przewodów i sprzętu, którego zadaniem jest dostarczanie energii elektrycznej do odbiorników w budynku. Bez niej żaden dom czy mieszkanie nie może funkcjonować to od niej zależy działanie oświetlenia, urządzeń RTV i AGD, systemów grzewczych czy nawet otwieranie bramy garażowej. Jej fundamentalne znaczenie dla bezpieczeństwa jest nie do przecenienia. Źle wykonana lub przestarzała instalacja to potencjalne źródło pożaru, porażenia prądem, a także uszkodzenia drogiego sprzętu elektronicznego. Oszczędzanie na elektryce jest jak budowanie domu na piasku krótkowzroczne i skrajnie niebezpieczne.
W porównaniu z nowym budownictwem, gdzie standardy są wysokie i instalacje projektuje się z myślą o przyszłości, w starych budynkach często spotykamy się z przestarzałymi rozwiązaniami. Aluminiowe przewody, brak uziemienia, zbyt mała liczba obwodów to wszystko realne problemy, które wymagają gruntownej modernizacji, aby zapewnić bezpieczeństwo i komfort użytkowania na miarę dzisiejszych potrzeb.

Planowanie to 90% sukcesu. Jak zaprojektować funkcjonalną i bezpieczną instalację elektryczną krok po kroku?
Projekt instalacji elektrycznej od czego zacząć i kto musi go wykonać? Zanim elektryk zacznie kłaść pierwsze przewody, niezbędne jest stworzenie szczegółowego projektu. Jest on obowiązkowy i musi być sporządzony przez osobę z odpowiednimi uprawnieniami budowlanymi w specjalności instalacyjnej. Projekt uwzględnia wszystkie potrzeby inwestora, specyfikę budynku oraz obowiązujące normy bezpieczeństwa.
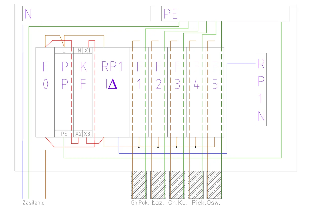
Schemat instalacji elektrycznej: jak czytać plan i gdzie rozmieścić kluczowe punkty? Schemat instalacji elektrycznej to mapa, która pokazuje, jak energia będzie doprowadzana do każdego punktu w domu. Na planie zaznacza się lokalizację gniazdek, włączników światła, punktów oświetleniowych, a także przebieg przewodów. Kluczowe jest przemyślane rozmieszczenie tych elementów, aby zapewnić wygodę użytkowania i uniknąć sytuacji, w której brakuje gniazdek w strategicznych miejscach.
Gniazdka, oświetlenie, sprzęt AGD jak zaplanować liczbę i rozmieszczenie obwodów, by uniknąć problemów? Planując liczbę i rozmieszczenie obwodów, należy wziąć pod uwagę wszystkie planowane urządzenia. W kuchni, gdzie znajduje się wiele sprzętów AGD, potrzebne są osobne obwody dla lodówki, zmywarki, kuchenki mikrofalowej czy płyty grzewczej. W łazience z kolei ważne jest odpowiednie rozmieszczenie gniazdek zasilających pralkę czy suszarkę do włosów, pamiętając o zachowaniu bezpiecznych odległości od punktów wodnych. Dobrze zaplanowana liczba obwodów zapobiega przeciążeniom i zapewnia stabilne działanie wszystkich urządzeń.
Instalacja jednofazowa czy trójfazowa (siła)? Kiedy moc ma znaczenie i dlaczego warto postawić na to drugie rozwiązanie? Podstawowa instalacja w większości domów i mieszkań to instalacja jednofazowa (230V). Jednak w przypadku nowoczesnych domów, gdzie planuje się zasilanie urządzeń o dużej mocy, takich jak płyty indukcyjne, piece elektryczne, pompy ciepła, klimatyzacja czy ładowarki do samochodów elektrycznych, niezbędna staje się instalacja trójfazowa (400V), potocznie zwana "siłą". Pozwala ona na rozłożenie obciążenia na trzy fazy, co zapobiega przeciążeniom i zapewnia stabilne dostarczanie energii.

Z czego składa się nowoczesna i bezpieczna instalacja elektryczna? Anatomia systemu
Nowoczesna instalacja elektryczna to skomplikowany, ale precyzyjnie zaprojektowany system, którego poszczególne elementy współpracują ze sobą, zapewniając bezpieczeństwo i funkcjonalność. Oto jego kluczowe komponenty:
- Rozdzielnica elektryczna serce całego układu. Co musi się w niej znaleźć? Rozdzielnica główna to centralny punkt, w którym energia elektryczna z przyłącza jest rozdzielana na poszczególne obwody zasilające różne części domu. Znajdują się w niej wszystkie kluczowe zabezpieczenia, takie jak wyłączniki nadprądowe i różnicowoprądowe, a także często ochronniki przepięć. To tutaj odbywa się "zarządzanie" energią w budynku.
- Wyłączniki nadprądowe, różnicowoprądowe, ochronniki przepięć Twoi cisi strażnicy bezpieczeństwa. Te elementy to absolutna podstawa bezpieczeństwa. Wyłączniki nadprądowe chronią instalację i urządzenia przed skutkami zwarć (nagłego, gwałtownego przepływu prądu) oraz przeciążeń (zbyt dużego obciążenia obwodu). Wyłączniki różnicowoprądowe reagują na nierównowagę prądów płynących w przewodzie fazowym i neutralnym, co jest sygnałem przepływu prądu przez ciało człowieka w ułamku sekundy odcinają zasilanie, chroniąc przed porażeniem. Ochronniki przepięć zabezpieczają instalację przed nagłymi skokami napięcia, które mogą być spowodowane wyładowaniami atmosferycznymi lub awariami w sieci energetycznej.
- Przewody i kable jakie wybrać i dlaczego miedź jest standardem? W Polsce w nowych instalacjach elektrycznych stosuje się wyłącznie przewody miedziane. Miedź jest doskonałym przewodnikiem prądu i jest bardziej wytrzymała mechanicznie niż aluminium. Przekroje przewodów dobiera się do obciążenia standardowo stosuje się przewody o przekroju 2,5 mm² dla obwodów gniazd i 1,5 mm² dla obwodów oświetleniowych. Ważne jest również prawidłowe prowadzenie przewodów w liniach prostych, równolegle do krawędzi ścian i sufitów, co ułatwia późniejsze ewentualne prace remontowe i zwiększa bezpieczeństwo.
- Puszki, gniazdka, łączniki czyli osprzęt, który ma znaczenie dla funkcjonalności i estetyki. To te elementy instalacji widzimy na co dzień. Puszki instalacyjne służą do połączeń elektrycznych i montażu osprzętu. Gniazdka wtykowe dostarczają energię do urządzeń, a łączniki (włączniki światła) pozwalają na sterowanie oświetleniem. Wybór odpowiedniego osprzętu, dopasowanego do estetyki wnętrza i potrzeb użytkowników, jest ważny dla komfortu i funkcjonalności.
Od gołych ścian do działającego gniazdka – jak przebiega montaż instalacji?
Montaż instalacji elektrycznej to proces, który wymaga precyzji i przestrzegania harmonogramu prac budowlanych. Najczęściej przebiega on w kilku kluczowych etapach:
- Etap surowy otwarty kluczowy moment na rozprowadzenie przewodów. Jest to idealny moment na wykonanie instalacji elektrycznej. Po postawieniu ścian, ale przed wykonaniem tynków, elektryk rozprowadza przewody w bruzdach wyciętych w ścianach i stropach. Montowane są również puszki instalacyjne pod gniazdka, włączniki i punkty oświetleniowe. Na tym etapie ukrywa się "kręgosłup" przyszłej instalacji.
- Tynkowanie i prace wykończeniowe a instalacja o czym pamiętać? Po rozprowadzeniu przewodów przychodzi czas na tynkowanie. Ważne jest, aby podczas tych prac chronić wystające z puszek przewody przed uszkodzeniem i zabrudzeniem. Po zakończeniu tynkowania i innych prac wykończeniowych, takich jak malowanie czy układanie podłóg, instalacja jest gotowa do kolejnego etapu.
- Biały montaż finalny etap podłączania osprzętu. Ostatnim etapem jest tzw. biały montaż. Polega on na podłączeniu do przewodów gniazdek, włączników, opraw oświetleniowych i innych elementów osprzętu. Po zakończeniu białego montażu instalacja jest kompletna i gotowa do podłączenia do sieci energetycznej oraz odbioru technicznego.
Ile kosztuje instalacja elektryczna? Analiza kosztów i sposoby na optymalizację budżetu
Koszty instalacji elektrycznej mogą się znacznie różnić w zależności od wielu czynników, ale istnieją pewne modele wyceny i orientacyjne kwoty, które pomagają w planowaniu budżetu.
- Cena "za punkt" co to oznacza i jak jest liczona? Najczęściej spotykanym sposobem wyceny prac elektrycznych jest metoda "za punkt". Jeden punkt to zazwyczaj jedno gniazdko, jeden włącznik światła lub jeden punkt oświetleniowy. Średnia cena za wykonanie jednego punktu elektrycznego, obejmująca robociznę i materiały, waha się zazwyczaj w granicach 100-150 zł.
- Kosztorys instalacji w nowym domu (ok. 140 m²) realne widełki cenowe. Dla nowego domu jednorodzinnego o powierzchni około 140-150 m², całkowity koszt wykonania instalacji elektrycznej, wraz z projektem, materiałami i robocizną, może wynieść od 15 000 zł do ponad 26 000 zł. Cena zależy od standardu użytych materiałów, stopnia skomplikowania projektu oraz renomy ekipy wykonawczej.
- Wymiana instalacji w mieszkaniu w bloku (ok. 50 m²) z jakimi kosztami trzeba się liczyć? Wymiana starej instalacji w mieszkaniu o powierzchni 50-60 m² to zazwyczaj wydatek rzędu 7 500 zł do 14 000 zł. Koszt ten może być wyższy, jeśli konieczne jest skuwanie tynków lub wykonywanie nowych bruzd.
- Robocizna a materiały jak rozkładają się proporcje w kosztorysie? W typowym kosztorysie instalacji elektrycznej proporcje między kosztami robocizny a materiałów są zazwyczaj zbliżone. Często można spotkać podział, gdzie około 50-60% całkowitego kosztu stanowią materiały, a pozostałe 40-50% to wynagrodzenie dla ekipy wykonawczej.
Formalności, których nie możesz pominąć. Kto może wykonać i odebrać instalację elektryczną?
Aspekty formalno-prawne są równie ważne jak sama jakość wykonania instalacji. Ich zaniedbanie może prowadzić do poważnych konsekwencji prawnych i finansowych.
- Uprawnienia SEP dlaczego Twój elektryk musi je posiadać? W Polsce prace przy instalacjach elektrycznych mogą wykonywać wyłącznie osoby posiadające odpowiednie kwalifikacje. Najczęściej jest to potwierdzone świadectwem kwalifikacyjnym wydanym przez SEP (Stowarzyszenie Elektryków Polskich), np. w kategorii G1 "E" (eksploatacja) lub "D" (dozór). Elektryk bez uprawnień nie może legalnie wykonywać prac, a instalacja przez niego wykonana nie będzie mogła zostać odebrana.
- Odbiór techniczny instalacji na czym polega, kto go przeprowadza i dlaczego jest obowiązkowy? Po zakończeniu prac montażowych instalacja elektryczna musi przejść odbiór techniczny. Jest to proces weryfikacji, czy instalacja została wykonana zgodnie z projektem, obowiązującymi normami i przepisami bezpieczeństwa. Odbiór ten obejmuje m.in. sprawdzenie ciągłości przewodów, rezystancji izolacji oraz skuteczności ochrony przeciwporażeniowej. Odbiór może przeprowadzić osoba posiadająca uprawnienia budowlane w specjalności instalacyjnej lub osoba z uprawnieniami SEP w zakresie dozoru (D) i prac kontrolno-pomiarowych.
- Protokół z pomiarów i odbioru najważniejszy dokument dla nadzoru budowlanego. Wynikiem odbioru technicznego jest protokół z pomiarów i odbioru. Jest to kluczowy dokument, który potwierdza prawidłowość wykonania instalacji. Bez tego protokołu nie można uzyskać pozwolenia na użytkowanie budynku, a w przypadku kontroli nadzoru budowlanego, jego brak może skutkować nałożeniem kar.
- Główne przepisy zawarte są w ustawie Prawo Budowlane oraz w Rozporządzeniu Ministra Infrastruktury w sprawie warunków technicznych, jakim powinny odpowiadać budynki i ich usytuowanie.
Kiedy wymiana starej instalacji jest koniecznością? Sygnały, których nie wolno ignorować
Starsze instalacje elektryczne, często wykonane kilkadziesiąt lat temu, mogą stanowić poważne zagrożenie. Istnieje kilka sygnałów, które wyraźnie wskazują na konieczność ich modernizacji lub całkowitej wymiany:
- Aluminiowe przewody i brak uziemienia tykająca bomba w starym budownictwie. Instalacje wykonane z przewodów aluminiowych są nie tylko mniej wytrzymałe i bardziej podatne na uszkodzenia mechaniczne, ale przede wszystkim nie posiadają odpowiedniego uziemienia. Brak uziemienia to brak podstawowego zabezpieczenia przed porażeniem prądem, zwłaszcza przy urządzeniach RTV i AGD.
- Częste awarie, wyskakujące bezpieczniki, migoczące światło kiedy modernizacja jest niezbędna? Jeśli Twoja instalacja często sprawia problemy bezpieczniki wyskakują bez wyraźnego powodu, światło migocze, gniazdka są ciepłe w dotyku, a urządzenia elektryczne działają niestabilnie to znak, że instalacja jest przeciążona lub uszkodzona. W takiej sytuacji modernizacja jest nie tylko wskazana, ale wręcz konieczna dla bezpieczeństwa.
- Jak przygotować się do generalnego remontu instalacji w zamieszkałym lokalu? Wymiana instalacji w zamieszkałym mieszkaniu wymaga starannego planowania. Należy ustalić z elektrykiem harmonogram prac, który zminimalizuje niedogodności. Często prace prowadzone są etapami, z wyłączaniem zasilania tylko w niezbędnych częściach lokalu. Ważne jest zabezpieczenie mebli i podłóg przed pyłem i uszkodzeniami.
Instalacja gotowa na przyszłość. Czy warto inwestować w inteligentny dom?
Współczesne instalacje elektryczne to nie tylko zasilanie urządzeń. Coraz częściej projektuje się je z myślą o przyszłych technologiach i rozwiązaniach, które zwiększają komfort, bezpieczeństwo i efektywność energetyczną.
Automatyka domowa (smart home) co warto zaplanować już na etapie projektu elektryki? Systemy inteligentnego domu, które pozwalają na zdalne sterowanie oświetleniem, ogrzewaniem, roletami, a nawet urządzeniami AGD, zyskują na popularności. Już na etapie projektowania instalacji elektrycznej warto zaplanować odpowiednie okablowanie i punkty sterowania dla takich systemów. Pozwoli to na bezproblemową integrację i rozbudowę w przyszłości.
Instalacje niskonapięciowe: internet, alarm, monitoring jak zintegrować je z instalacją elektryczną? Nowoczesny dom to także sprawna sieć komputerowa (LAN), dostęp do telewizji i systemy bezpieczeństwa, takie jak alarm czy monitoring. Projektując instalację elektryczną, należy uwzględnić również okablowanie dla tych systemów. Prowadzenie wszystkich przewodów w jednym miejscu, zgodnie z projektem, ułatwia montaż i późniejszą konserwację.
Fotowoltaika i pompa ciepła jak przygotować instalację na zieloną energię? Rosnące zainteresowanie odnawialnymi źródłami energii, takimi jak fotowoltaika, czy energooszczędnymi rozwiązaniami, jak pompy ciepła, wymaga odpowiedniego przygotowania instalacji elektrycznej. Należy przewidzieć miejsce na dodatkowe zabezpieczenia, odpowiednie przekroje przewodów doprowadzających moc z paneli fotowoltaicznych czy zasilających pompę ciepła. Dobre przygotowanie instalacji na etapie budowy to klucz do efektywnego wykorzystania nowoczesnych technologii.
