Planowanie instalacji elektrycznej w kuchni to kluczowy etap, który bezpośrednio wpływa na bezpieczeństwo, funkcjonalność i komfort użytkowania tego serca każdego domu. Dowiedz się, jak prawidłowo dobrać zabezpieczenia, aby uniknąć awarii i zapewnić optymalne warunki pracy dla wszystkich urządzeń AGD.
Kluczowe zasady doboru bezpieczników do kuchni
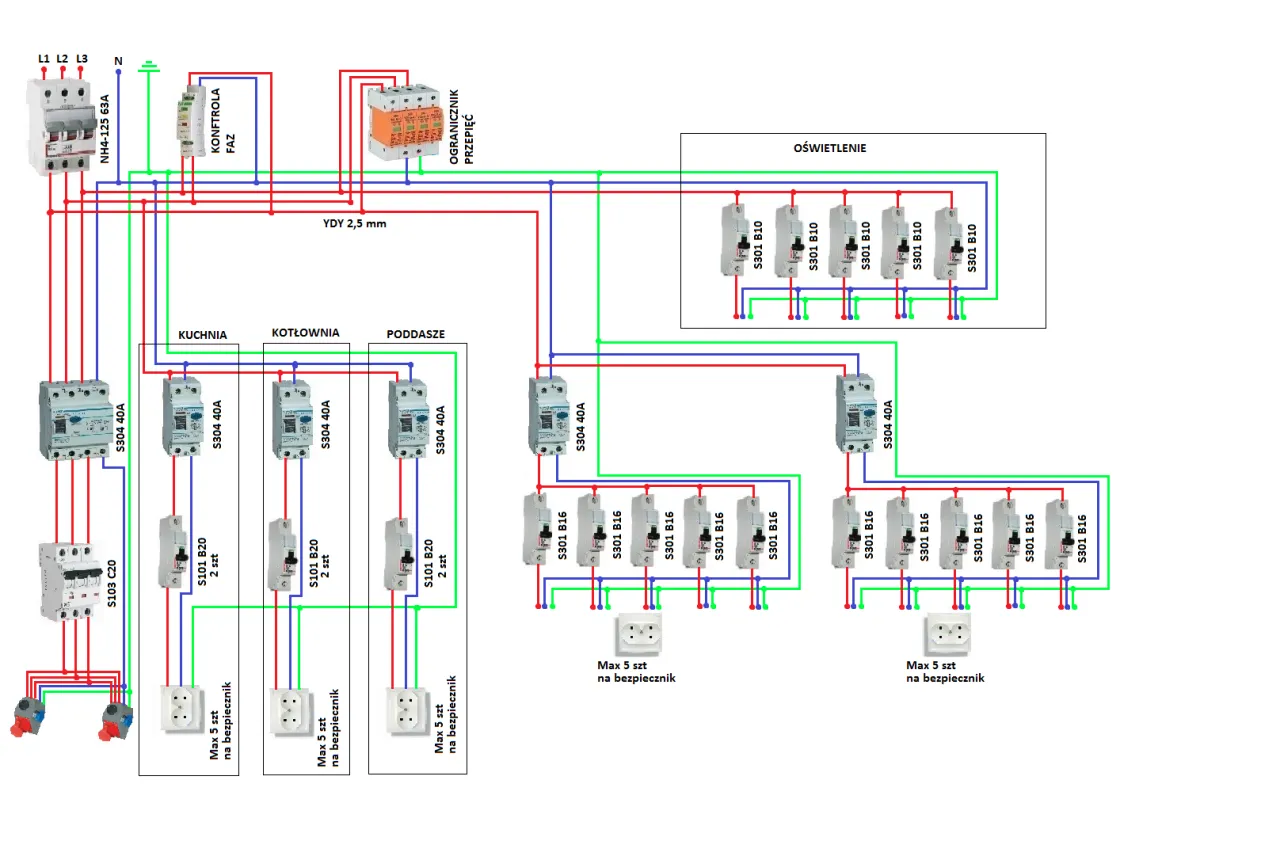
- Urządzenia o mocy powyżej 2 kW wymagają dedykowanych obwodów.
- Wyłączniki nadprądowe (tzw. "eski") chronią przed przeciążeniami i zwarciami, a ich charakterystyka (B lub C) zależy od typu obciążenia.
- Obowiązkowe wyłączniki różnicowoprądowe (RCD) o czułości 30 mA są niezbędne dla ochrony przed porażeniem, zwłaszcza w wilgotnej kuchni.
- Płyta indukcyjna może wymagać zasilania trójfazowego (B16x3) lub jednofazowego (C32 dla dużej mocy).
- Piekarnik, zmywarka i lodówka powinny mieć własne obwody zabezpieczone wyłącznikami B16A.
- Wszelkie prace elektryczne muszą być wykonane przez elektryka z uprawnieniami, zgodnie z normą PN-HD 60364.

Dlaczego prawidłowe zaplanowanie elektryki w kuchni to absolutna podstawa
Odpowiednie zaprojektowanie instalacji elektrycznej w kuchni to fundament bezpieczeństwa i komfortu użytkowania. To właśnie tutaj mamy do czynienia z największą koncentracją urządzeń o potencjalnie dużej mocy, które pracują jednocześnie. Niewłaściwy dobór zabezpieczeń lub brak podziału na dedykowane obwody może prowadzić do niebezpiecznych sytuacji, takich jak przeciążenia instalacji, które z kolei mogą skutkować przegrzewaniem przewodów, a nawet pożarem. Co więcej, ciągłe wybijanie bezpieczników to nie tylko irytująca niedogodność, ale także sygnał, że instalacja nie jest w stanie sprostać zapotrzebowaniu energetycznemu. Pamiętajmy, że zgodnie z polskimi przepisami, urządzenia o mocy przekraczającej 2 kW powinny być podłączone do osobnych obwodów. Taki podział zapewnia nie tylko bezpieczeństwo, ale także stabilną i niezawodną pracę każdego sprzętu AGD, od płyty indukcyjnej po ekspres do kawy.

Dwa kluczowe filary bezpieczeństwa: Co musisz wiedzieć o rodzajach zabezpieczeń
Wyłącznik nadprądowy (tzw. "eska") – Twój strażnik przed przeciążeniem i zwarciem
Wyłącznik nadprądowy, potocznie nazywany "eska", to podstawowe zabezpieczenie każdej instalacji elektrycznej. Jego głównym zadaniem jest ochrona przewodów i podłączonych urządzeń przed dwoma głównymi zagrożeniami: przeciążeniem i zwarciem. Przeciążenie występuje, gdy przez obwód płynie prąd o natężeniu większym niż przewidziane dla danego przewodu, ale nie jest to skutek zwarcia. Z kolei zwarcie to połączenie przewodów fazowego i neutralnego, które powoduje gwałtowny, bardzo wysoki wzrost natężenia prądu. W obu tych sytuacjach wyłącznik nadprądowy zadziała błyskawicznie, odcinając dopływ prądu i zapobiegając uszkodzeniu instalacji, a co najważniejsze pożarowi.
Charakterystyka B czy C? Od tej litery zależy stabilna praca Twoich sprzętów
Wybór odpowiedniej charakterystyki wyłącznika nadprądowego jest kluczowy dla stabilności pracy urządzeń elektrycznych. Wyłączniki z charakterystyką B są standardem w budownictwie mieszkaniowym i przeznaczone są do obwodów oświetleniowych oraz gniazdkowych, gdzie obciążenie jest zazwyczaj stałe i nie generuje dużych prądów rozruchowych. Natomiast wyłączniki z charakterystyką C stosuje się w miejscach, gdzie podłączane są urządzenia o wyższych prądach rozruchowych, na przykład silniki elektryczne czy niektóre typy płyt indukcyjnych podłączanych jednofazowo. Charakterystyka C pozwala na chwilowy, kilkukrotnie większy prąd niż znamionowy, bez wyzwalania zabezpieczenia, co zapobiega niepotrzebnemu wyłączaniu bezpiecznika podczas startu takich urządzeń.
Wyłącznik różnicowoprądowy ("różnicówka") – Niezbędna ochrona przed porażeniem w wilgotnym środowisku
Wyłącznik różnicowoprądowy, znany również jako RCD lub potocznie "różnicówka", to absolutnie kluczowe zabezpieczenie, które chroni nas przed porażeniem prądem elektrycznym. Działa on na zasadzie porównywania prądu płynącego w przewodzie fazowym i powrotnym. Jeśli wystąpi różnica (oznaczająca, że prąd "uciekł" inną drogą, na przykład przez ciało człowieka dotykającego uszkodzonego urządzenia), RCD natychmiast odcina zasilanie. W kuchni, ze względu na podwyższoną wilgotność i obecność wody, ryzyko porażenia jest znacznie większe, dlatego stosowanie wyłączników różnicowoprądowych o czułości 30 mA jest nie tylko zalecane, ale wręcz obowiązkowe. Chronią one wszystkie obwody gniazdkowe i oświetleniowe, stanowiąc ostatnią linię obrony przed niebezpiecznym kontaktem z prądem.
Schemat idealnej instalacji: Jakie bezpieczniki do konkretnych urządzeń i obwodów w kuchni
Płyta indukcyjna – największe wyzwanie. Jakie zabezpieczenie dla zasilania 1-fazowego, a jakie dla 3-fazowego ("siły")?
Płyta indukcyjna to zazwyczaj najbardziej energochłonne urządzenie w kuchni, dlatego wymaga starannego doboru zabezpieczeń. Najczęściej rekomendowanym i najbardziej efektywnym rozwiązaniem jest zasilanie trójfazowe (400V), tzw. "siła", szczególnie dla płyt o mocy rzędu 7,4 kW. W takim przypadku stosuje się zabezpieczenie trójfazowe, zazwyczaj w postaci trzech połączonych wyłączników nadprądowych o charakterystyce B i wartości 16A każdy (B16x3). Jeśli jednak dysponujemy jedynie zasilaniem jednofazowym (230V), dla płyty o dużej mocy (np. 7,4 kW) konieczne jest zastosowanie dedykowanego obwodu z wyłącznikiem nadprądowym o charakterystyce C i wartości 32A (C32). Dla płyt jednofazowych o niższej mocy, do 3,7 kW, wystarczający jest bezpiecznik 16A. Wybór zasilania trójfazowego jest zazwyczaj bardziej optymalny i bezpieczniejszy dla tak dużego obciążenia.
Piekarnik elektryczny – jaki bezpiecznik zapewni mu bezawaryjną pracę podczas pieczenia?
Piekarnik elektryczny, podobnie jak płyta indukcyjna, jest urządzeniem o znacznym poborze mocy i dlatego zdecydowanie wymaga dedykowanego obwodu. Zalecanym zabezpieczeniem dla piekarnika jest wyłącznik nadprądowy o charakterystyce B i wartości 16A (B16A). Warto jednak sprawdzić specyfikację techniczną konkretnego modelu piekarnika. Niektóre urządzenia o bardzo dużej mocy mogą wymagać zabezpieczenia o wartości 20A, aby zapewnić ich stabilną pracę bez ryzyka wybijania bezpiecznika podczas intensywnego użytkowania.
Zmywarka i lodówka – dlaczego te sprzęty bezwzględnie zasługują na własne obwody?
Zarówno zmywarka, jak i lodówka, to urządzenia pracujące często przez wiele godzin, a nawet dni bez przerwy. Dlatego też kluczowe jest, aby każde z nich miało swój własny, dedykowany obwód elektryczny. Zalecanym zabezpieczeniem dla obu tych urządzeń jest wyłącznik nadprądowy o charakterystyce B i wartości 16A (B16A). W przypadku lodówki, osobny obwód jest szczególnie ważny. Zapobiega on sytuacji, w której awaria innego urządzenia podłączonego do tego samego obwodu (na przykład czajnika czy tostera) mogłaby spowodować przypadkowe wyłączenie lodówki, prowadząc do rozmrożenia żywności. Stabilne zasilanie lodówki to gwarancja jej niezawodnej pracy.
Gniazdka nad blatem – jak zaplanować obwody dla czajnika, ekspresu i miksera, by uniknąć problemów?
Obszar nad blatem kuchennym to zazwyczaj miejsce, gdzie znajduje się najwięcej drobnych urządzeń AGD, takich jak czajnik elektryczny, ekspres do kawy, toster czy mikser. Aby uniknąć przeciążeń i zapewnić wygodę użytkowania, zaleca się zaplanowanie co najmniej dwóch niezależnych obwodów dla gniazd ogólnego użytku w tym rejonie. Każdy z tych obwodów powinien być zabezpieczony standardowym wyłącznikiem nadprądowym o charakterystyce B i wartości 16A (B16A). Takie rozłożenie obciążenia pozwoli na jednoczesne korzystanie z kilku urządzeń bez ryzyka wybijania bezpieczników.
Oświetlenie w kuchni – jakie zabezpieczenie jest wystarczające dla lampy sufitowej i LED-ów?
Obwód oświetleniowy w kuchni, niezależnie od tego, czy jest to tradycyjna lampa sufitowa, czy nowoczesne oświetlenie LED, zazwyczaj nie generuje dużego obciążenia. Standardowym i wystarczającym zabezpieczeniem dla takiego obwodu jest wyłącznik nadprądowy o charakterystyce B i wartości 10A (B10A). Zapewnia on skuteczną ochronę przed ewentualnymi zwarciami i przeciążeniami, jednocześnie nie będąc nadmiernie czułym na normalne zapotrzebowanie energetyczne oświetlenia.
Tych błędów unikaj jak ognia! Najczęstsze pomyłki przy doborze bezpieczników do kuchni
Jeden obwód na wszystko – prosta droga do ciągłego "wybijania korków"
Jednym z najczęstszych i najbardziej brzemiennych w skutki błędów jest próba podłączenia zbyt wielu urządzeń do jednego obwodu elektrycznego. Kuchnia, jako serce domu, jest miejscem, gdzie często jednocześnie pracuje kilka sprzętów o dużej mocy płyta indukcyjna, piekarnik, czajnik, zmywarka. Jeśli wszystkie te urządzenia zostaną podłączone do jednego obwodu, szybko dojdzie do jego przeciążenia. Skutkiem tego będzie nieustanne wybijanie bezpiecznika, co nie tylko jest irytujące, ale przede wszystkim świadczy o tym, że instalacja nie jest w stanie sprostać zapotrzebowaniu. Długotrwałe przeciążanie przewodów może prowadzić do ich przegrzewania, uszkodzenia izolacji, a w skrajnych przypadkach nawet do pożaru.
Za słaby lub za mocny bezpiecznik – co jest gorsze dla Twojej instalacji i sprzętu?
Niewłaściwy dobór wartości znamionowej bezpiecznika to prosta droga do problemów. Jeśli bezpiecznik jest za słaby, będzie wyzwalał się przy normalnym obciążeniu, nawet gdy wszystkie urządzenia pracują prawidłowo będziemy świadkami ciągłego "wybijania korków". Z drugiej strony, jeśli bezpiecznik jest za mocny (o zbyt wysokiej wartości amperażu), nie spełni swojej podstawowej funkcji ochronnej. W przypadku zwarcia lub przeciążenia, prąd płynący przez obwód może być na tyle wysoki, że uszkodzi przewody lub podłączone urządzenia, zanim bezpiecznik zareaguje. W najgorszym scenariuszu, brak odpowiedniej ochrony może doprowadzić do przegrzania instalacji i pożaru. Dlatego tak ważne jest precyzyjne dopasowanie zabezpieczenia do obciążenia obwodu.
Przeczytaj również: Przepięciówka - schemat podłączenia i błędy, których unikniesz
Oszczędność na "różnicówce" – dlaczego to igranie z bezpieczeństwem Twojej rodziny?
Rezygnacja z instalacji wyłącznika różnicowoprądowego (RCD) lub jego niewłaściwy dobór to jeden z najpoważniejszych błędów, jakie można popełnić przy planowaniu elektryki kuchennej. Jak już wspominałem, kuchnia to środowisko o podwyższonej wilgotności, gdzie ryzyko porażenia prądem jest znacznie większe. RCD jest jedynym zabezpieczeniem, które chroni nas bezpośrednio przed skutkami porażenia. Jego brak lub zastosowanie urządzenia o zbyt wysokiej czułości (np. 100 mA zamiast zalecanych 30 mA dla obwodów gniazdkowych) oznacza świadome narażanie siebie i bliskich na śmiertelne niebezpieczeństwo. To nie jest miejsce na oszczędności bezpieczeństwo życia i zdrowia jest bezcenne.
Uprawnienia to nie formalność: Dlaczego projekt i odbiór instalacji musi wykonać certyfikowany elektryk?
Wszelkie prace związane z instalacją elektryczną, a zwłaszcza w tak wymagającym pomieszczeniu jak kuchnia, muszą być powierzone wyłącznie osobie posiadającej odpowiednie uprawnienia elektrykowi z kwalifikacjami SEP. To nie jest kwestia formalności, ale gwarancji bezpieczeństwa i prawidłowego funkcjonowania całej instalacji. Tylko certyfikowany specjalista posiada wiedzę i doświadczenie niezbędne do prawidłowego zaprojektowania układu obwodów, doboru odpowiednich zabezpieczeń i przewodów, a także do wykonania montażu zgodnie z obowiązującymi normami, w tym normą PN-HD 60364. Samodzielne próby modyfikacji instalacji lub zatrudnienie osoby bez uprawnień to ogromne ryzyko, które może skończyć się tragicznie. Pamiętajmy, że elektryka to dziedzina, która wymaga precyzji, wiedzy i odpowiedzialności.
